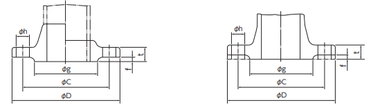
JIS管フランジ寸法表 30Kフランジ
30Kフランジの基準寸法
| フランジ 呼び径 |
適用する 鋼管の外径 |
フランジの 外径 D |
フランジの 厚さ t |
f | 径 g | 中心円の 径 C |
ボルト穴 | ボルトの ねじの呼び |
|
|---|---|---|---|---|---|---|---|---|---|
| 数 | 径 h | ||||||||
| 10 | 17.3 | 110 | 16 | 1 | 52 | 75 | 4 | 19 | M16 |
| 15 | 21.7 | 115 | 18 | 1 | 55 | 80 | 4 | 19 | M16 |
| 20 | 27.2 | 120 | 18 | 1 | 60 | 85 | 4 | 19 | M16 |
| 25 | 34.0 | 130 | 20 | 1 | 70 | 95 | 4 | 19 | M16 |
| 32 | 42.7 | 140 | 22 | 2 | 80 | 105 | 4 | 19 | M16 |
| 40 | 48.6 | 160 | 22 | 2 | 90 | 120 | 4 | 23 | M20 |
| 50 | 60.5 | 165 | 22 | 2 | 105 | 130 | 8 | 19 | M16 |
| 65 | 76.3 | 200 | 26 | 2 | 130 | 160 | 8 | 23 | M20 |
| 80 | 89.1 | 210 | 28 | 2 | 140 | 170 | 8 | 23 | M20 |
| (90) | 101.6 | 230 | 30 | 2 | 150 | 185 | 8 | 25 | M22 |
| 100 | 114.3 | 240 | 32 | 2 | 160 | 195 | 8 | 25 | M22 |
| 125 | 139.8 | 275 | 36 | 2 | 195 | 230 | 8 | 25 | M22 |
| 150 | 165.2 | 325 | 38 | 2 | 235 | 275 | 12 | 27 | M24 |
| 200 | 216.3 | 370 | 42 | 2 | 280 | 320 | 12 | 27 | M24 |
| 250 | 267.4 | 450 | 48 | 2 | 345 | 390 | 12 | 33 | M30X3 |
| 300 | 318.5 | 515 | 52 | 3 | 405 | 450 | 16 | 33 | M30X3 |
| 350 | 355.6 | 560 | 54 | 3 | 450 | 495 | 16 | 33 | M30X3 |
| 400 | 406.4 | 630 | 60 | 3 | 510 | 560 | 16 | 39 | M36X3 |
注記
※()内のフランジ呼び径は、なるべく使わないのがよい。
※ボルト穴径(h)は、ボルトのねじの呼びM30X3以上の場合は、JIS B1001の2級によったものです。